紧凑型封装
低开关损耗
PCB组装
集成负温度系数传感器
氧化铝绝缘衬板
UPS系统
伺服驱动器
电机传动
空调
辅助逆变器
三电平应用
太阳能应用
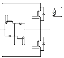
| TYPE | T1, T4 | T2, T3 | Circuit | Package | Technology | ||||||
| VCES Volts | IC Amps | VCE(SAT) Volts | Ptot Watts | VCES Volts | IC Amps | VCE(SAT) Volts | Ptot Watts | ||||
| LVP25H12X4-3TM | 1200V | 25A | 1.80V | 215W | 650V | 30A | 1.60V | 150W | T type | EZPACK 1B | TrenchFS |
| LVP50H06X4-3IM | 600V | 50A | 1.50V | 175W | 600V | 50A | 1.50V | 175W | I type | TrenchFS | |
| LVP75H12X4-3TM | 1200V | 75A | 1.50V | 275W | 650V | 30A | 1.30V | 175W | T type | TrenchFS | |