紧凑型封装
低开关损耗
PCB组装
集成负温度系数传感器
氧化铝绝缘衬板
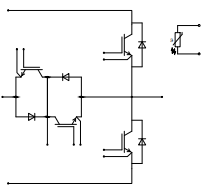
三电平应用
电机传动
太阳能应用
UPS系统
| TYPE | T1, T4 | T2, T3 | Circuit | Package | Technology | ||||||
| VCES Volts | IC Amps | VCE(SAT) Volts | Ptot Watts | VCES Volts | IC Amps | VCE(SAT) Volts | Ptot Watts | ||||
| LVP100H12E4-3TB | 1200V | 100A | 1.60V | 375W | 650V | 50A | 1.50V | 175W | T type | EZPACK 2B | TrenchFS |
| LVP150H07E4-3IB | 650V | 150A | 1.50V | 335W | 650V | 150A | 1.50V | 335W | I type | TrenchFS | |
| LVP150H12E4-3TB | 1200V | 150A | 1.50V | 500W | 650V | 75A | 1.50V | 215W | T type | TrenchFS | |
| LVP200H12E4-3TB | 1200V | 200A | 1.50V | 600W | 650V | 100A | 1.50V | 250W | T type | TrenchFS | |